


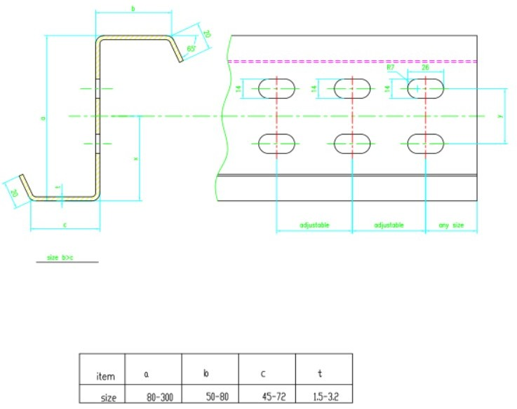
Above drawings are just for reference. The final drawing needs to be provided and confirmed by buyer.
|
NO |
ITEM |
PARAMETER REMARK |
|
1. |
Suitable material |
galvanized steel sheet,230,250,280 and 340Mpa |
|
2. |
Finished Purlin dimension |
1)CZ purlin width: 80-200mm automatic adjustment |
|
2) CZ purlin flange height: 30-80mm automatic adjustment |
||
|
3)Lip size: 10-25mm |
(left input to right output)
5T manual decoiler - leveling machine - holes punching 1 -holes punching 2 - Hydraulic pre-cut - guiding - Roll Forming - Hydraulic Post Cutting (or flying shear
system as option) - Runout Table No Power (or 12mts Motorized output table as option)
Fill out the form to contact us, We promise to respond to you quickly.