
Coil car loading--5T hydraulic decoiler--7 rolls leveling –servo-feeder----(No 1)3 sets hinges holes punching---(No 2)lock holes punching--(-No 3)crossbar head cut ---roll forming----Turk head---hydraulic flying shear---4M auto outable

|
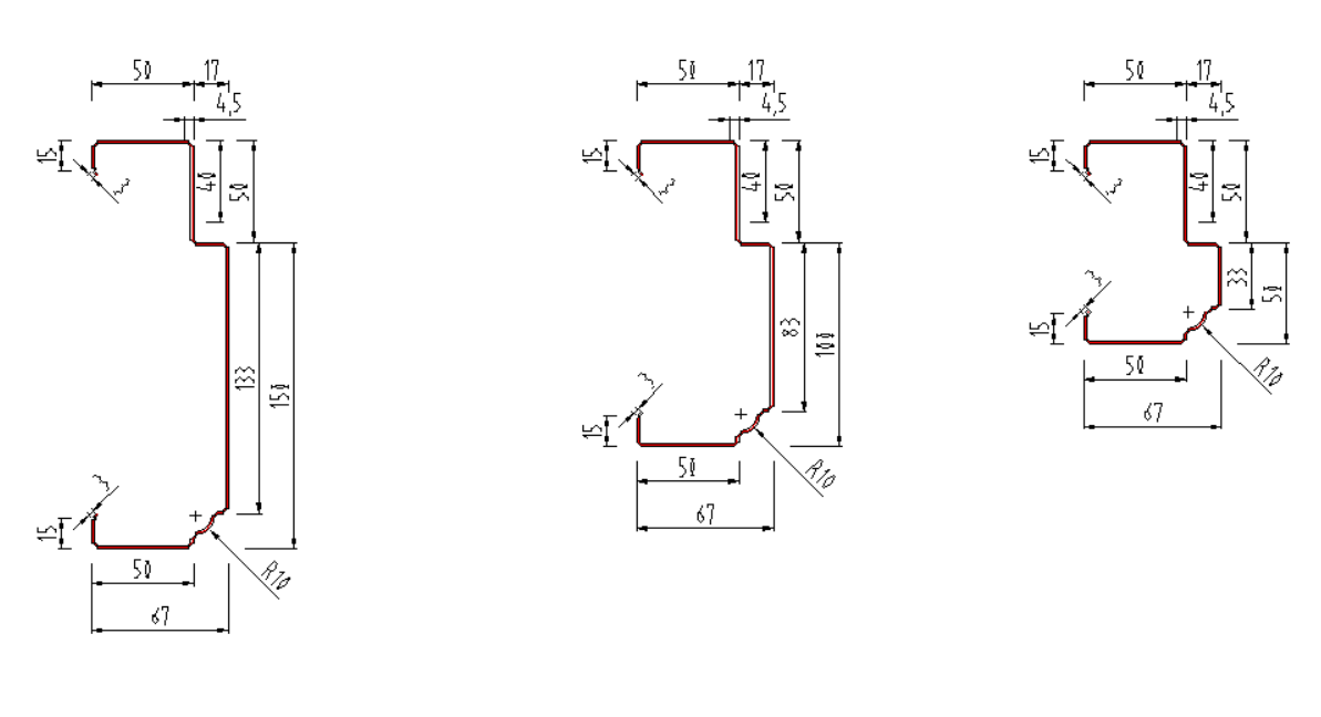
Material thickness |
mm |
0.3-0.8mm Full hard,G550Mpa |
|
Forming speed |
m/min |
12-30 |
|
Roll station |
/ |
20 |
|
Main power |
kw |
11 |
|
Coil width input |
|
1053mm |
|
Hydraulic power |
kw |
4 |
|
Control system |
/ |
PLC panasonic/omron/simens/mitsubishi |
|
Drive |
/ |
Chain drive |
|
Decoiler |
5T |
Manual type and hydraulic decoiler and coil car as options |
|
Safety cover |
|
Yellow color |
Fill out the form to contact us, We promise to respond to you quickly.