
Coil car loading--5T hydraulic decoiler--7 rolls leveling –servo-feeder----(No 1)3 sets hinges holes punching---(No 2)lock holes punching--(-No 3)crossbar head cut ---roll forming----Turk head---hydraulic flying shear---4M auto outable

|
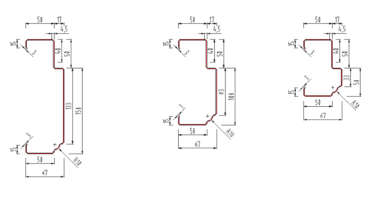
Finished products: |
67- 130/200 door frame |
|
Raw material request: |
Q235 cold rolled steel. |
|
Material thickness: |
0.8mm--1.5mm |
|
Whole line working speed: |
8-10m/min |
Fill out the form to contact us, We promise to respond to you quickly.