Hot Sale Deck Roll Forming Machine Decking Floor Roll Forming Machine Floor Deck Roll Forming Machine

description1
Zipper closure 1/4 zip athletic pullovers for men. Stretchy, lightweight, fast-drying fabric for superior performance. REGULAR FIT - US standard sizes. An athletic fit that sits close to the body for a wide range of motion, designed for optimal performance and all day comfort. FEATURES - Quarter zip closure;Thumbholes on long sleeves to keep them in place during workout
Basic Introduction

Floor decking roll forming machine’s main material is galvanized sheet material, via pressure-type device be pressed into different types of floor boards, mainly as a multi-level and multi-storey factory building structure instead of the original template. Floor decking machine replace the tradition way, this is a good way to protect woods. Using the floor deck can improve the rigidity of the floor, saving the amount of steel and concrete. It is a part of the structural strength. Compared with the old ways, using floor deck is easy to installation and construction, and can save much time.

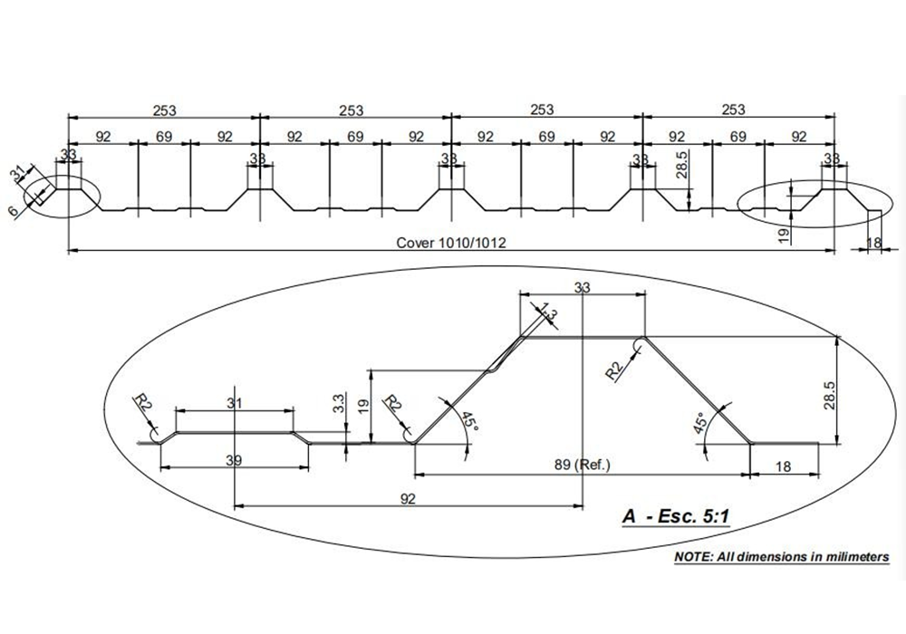
Profile Drawing

Main Technical Parameters
1)Machine structure:wall panel welded structure
2)Main power:7.5KW motor
3)Forming stations:18 stations for T101 profile
18 stations for mini-wave profile
4)Way of drive:1.0"single row chain drive
5)Diameter of shaft:¢75mm
6)Line speed: 0-20m/min
7)Thickness: 0.3-0.8mm galvanized steel or prepainted sheet,G350Mpa
8)Material width:1220mm
9)Material of roller:45#,HRC5862, processed with numerical control, polished 10)Material of blade mould:Cr12Mov, quenched 58-62
11)way of cutting:hydraulic stop to cut ,hydraulic cutting
12)Length cutting tolerance:+/-1.5mm
13)Computer Control system:PLC control, Siemens from German brand
14)Omron encoder measure the length ,made in Japan
15)Electrical requirement:380V,50Hz,3Ph
Size of machine: appro:9500mx1,700mx1,600m 17)the color of the machine is industrial blue

Product Advantage

1.Our products have passed strict quality

2.Competitive price

3.flexibly designed according to need

4.after-sales doubts for you

5.CE,ISO9001 certification

Detail Images
  •  
  •  
  •  
  •  
  •  
  •  
  •  
  •  

Get the latest quotes

Fill out the form to contact us, We promise to respond to you quickly.

CONTACT US