description1
Zipper closure 1/4 zip athletic pullovers for men. Stretchy, lightweight, fast-drying fabric for superior performance. REGULAR FIT - US standard sizes. An athletic fit that sits close to the body for a wide range of motion, designed for optimal performance and all day comfort. FEATURES - Quarter zip closure;Thumbholes on long sleeves to keep them in place during workout
Product Description

Rack roll forming machine is made from hot rolled steel strips,rack roll forming machine staightended,holes punched,roll formed,and cut to length by the rack roll forming machine. the finished products are of many features,such as high efficiency,high automatization,less labor,and etc.

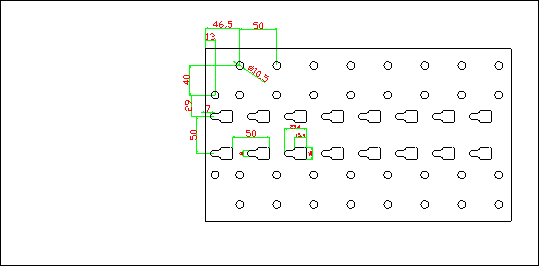
Profile Drawing

Production Process

Hydraulic de-coiler-Powered leveling –Servo feeding-Hole punching- Forming-Hydraulic cutting-Output table

Product Paramenters

1.Finished products:76/102/127x70 racks with holes punching 2.Raw material request: galvanized steel 3.Material thickness:1.2mm-2mm 4.Whole line working speed:>3--5m/min 5.Cutting Error: ≤±2mm 6.Floor Space:30*2*3m 7.Pressure:380V,50Hz      

Item

Components Name

Quantity

1

3T hydraulic Decoiler

1 set

2

Leveling machine

1 set

3

80T punching press

1 set

4

Punching mould

4 sets

5

Quick -changeable Roll Forming Machine

1set

6

Flying shear

1 set

7

Hydraulic Station

1set

8

PLC control cabinet

1set

9

C beam combination machine

1 set

10

Outables

2 pcs

11

Cutting blade

4sets

Fill out the form to contact us, We promise to respond to you quickly.

CONTACT US