description1
Zipper closure 1/4 zip athletic pullovers for men. Stretchy, lightweight, fast-drying fabric for superior performance. REGULAR FIT - US standard sizes. An athletic fit that sits close to the body for a wide range of motion, designed for optimal performance and all day comfort. FEATURES - Quarter zip closure;Thumbholes on long sleeves to keep them in place during workout
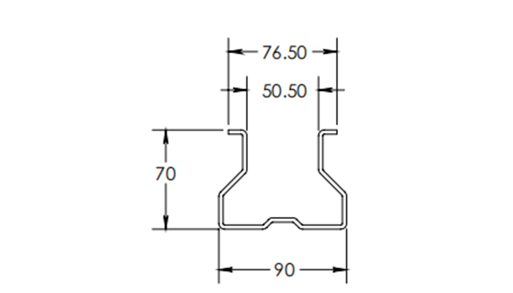
Profile Drawing

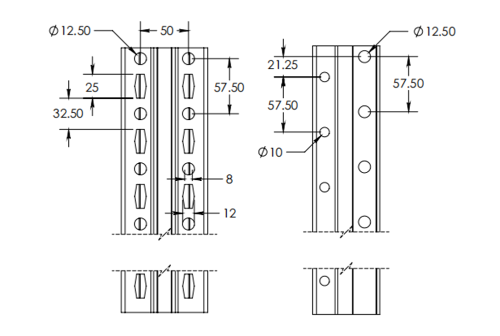
Holes punching

Flow chart

Hydraulic de-coiler-Powered leveling –Servo feeding-Hole punching- Forming-Hydraulic cutting-Output table

main parameters

Item

Components Name

Quantity

1

3T hydraulic Decoiler

1 set

2

Leveling machine

1 set

3

80T punching press

1 set

4

Punching mould

4 sets

5

Quick -changeable Roll Forming Machine

1set

6

Flying shear

1 set

7

Hydraulic Station

1set

8

PLC control cabinet

1set

9

C beam combination machine

1 set

10

Outables

2 pcs

11

Cutting blade

4sets

.3T Hyraulic motorized decoiler

Leveling machine unit

Servo feeder and holes punching system

Main Forming Machine Units

Hydraulic Cutting system

Run-out table.

Fill out the form to contact us, We promise to respond to you quickly.

CONTACT US