


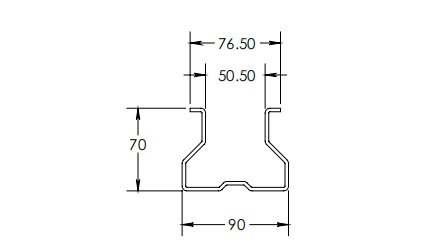
Hydraulic de-coiler-Powered leveling –Servo feeding-Hole punching- Forming-Hydraulic cutting-Output table

|
Item |
Components Name |
Quantity |
|
1 |
3T hydraulic Decoiler |
1 set |
|
2 |
Leveling machine |
1 set |
|
3 |
80T punching press |
1 set |
|
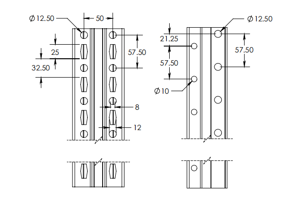
4 |
Punching mould |
4 sets |
|
5 |
Quick -changeable Roll Forming Machine |
1set |
|
6 |
Flying shear |
1 set |
|
7 |
Hydraulic Station |
1set |
|
8 |
PLC control cabinet |
1set |
|
9 |
C beam combination machine |
1 set |
|
10 |
Outables |
2 pcs |
|
11 |
Cutting blade |
4sets |
Fill out the form to contact us, We promise to respond to you quickly.